Description:
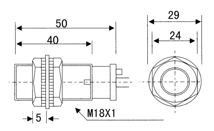
Proximity switch FR18-5DP2 Proximity switch sensor object is a switch type sensor (i.e non-contact distance switch) which has the characteristics of travel switch, micro switch, sensor performance, reliable operation, stable performance, frequency response Fast, long service life, strong anti-interference ability, waterproof, shockproof, corrosion resistant, etc., widely used in various industries such as machinery, mining, textile, printing, chemical, metallurgy, light industry, electric power, security, railway, aerospace, etc. . It consists of three parts: an oscillator, a switching circuit, and an amplifying output circuit. The oscillator produces an alternating magnetic field. When the metal target approaches this magnetic field and reaches the sensing distance, eddy currents are generated in the metal target, causing the oscillation to decay and even stop.
Proximity switch working principle:
Inductive proximity switch belongs to a position sensor with switching output. It consists of LC high frequency oscillator and amplification processing circuit. It uses metal object to make the object close to this oscillation induction head capable of generating electromagnetic field. Eddy currents are generated inside. This eddy current reacts to the proximity switch, causing the proximity switch to oscillate and the internal circuit parameters are changed, thereby identifying the presence or absence of a metal object, thereby controlling the on or off of the switch.
Please note that the object that this proximity switch can detect must be a metal object.













Reviews
Clear filtersThere are no reviews yet.